Engineering Data For A20N Butterfly Valve
A20N Coefficient Of Flow
Cv of valve opening
| Valve Size | 20º | 30º | 40º | 50º | 60º | 70º | 80º | 90º |
|---|---|---|---|---|---|---|---|---|
| 2″ | 1 | 8 | 18 | 30 | 43 | 73 | 117 | 159 |
| 3″ | 3 | 16 | 38 | 75 | 132 | 195 | 296 | 429 |
| 4″ | 9 | 43 | 82 | 150 | 241 | 377 | 615 | 884 |
| 6″ | 21 | 95 | 186 | 338 | 541 | 872 | 1340 | 1800 |
| 8″ | 38 | 165 | 330 | 601 | 963 | 1550 | 2460 | 3400 |
| 10″ | 59 | 258 | 515 | 938 | 1500 | 2420 | 3850 | 5830 |
| 12″ | 86 | 371 | 741 | 1350 | 2170 | 3490 | 5540 | 7960 |
A20N TORQUES & WEIGHTS
All weights shown in pounds
| Valve Size | Actual Torque Inch Pounds* | Valve Weight Less Operator Lug Body | Valve Weight Less Operator Wafer Body | Gear Operator Weight | Handlever Operator Weight |
|---|---|---|---|---|---|
| 2″ | 35 | 9 | 7 | 12 | 4 |
| 3″ | 210 | 16 | 13 | 12 | 7 |
| 4″ | 228 | 21 | 17 | 23 | 7 |
| 6″ | 657 | 32 | 26 | 23 | 9 |
| 8″ | 830 | 61 | 53 | 27 | 9 |
| 10″ | 2365 | 91 | 87 | 40 | 10 |
| 12″ | 3797 | 128 | 123 | 40 | 10 |
* Torque specifications are based on optimum test conditions. Actual torques may vary under different field and environmental applications. For actuator sizing multiply torques by 1.25.
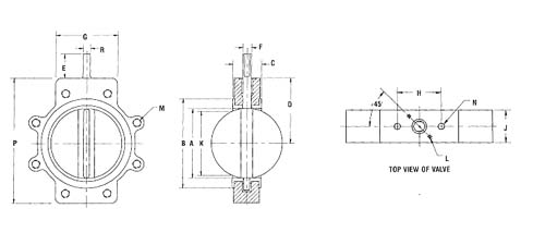
A20N Dimension Table
| Valve Size | A | B | C | D | E | F | G | H | J | K | L | M(LUG) | N | P (Wafer) |
P (Lug) |
R |
|---|---|---|---|---|---|---|---|---|---|---|---|---|---|---|---|---|
| 2″ | 2.09 | 3.50 | 1.63 | 3.25 | 1.60 | 0.500 | 4.75 | 2.203 | 1.50 | 1.51 | 10-32 ON 1.125 BC | 5/8-11 ON 4.75 BC 4 PLCS | 3/8-16 2 PLCS | 6.00 | 6.38 | 0.375 |
| 3″ | 3.00 | 4.63 | 2.06 | 3.88 | * | 0.625 | 6.00 | 3.250 | 1.81 | 2.45 | 1/4-20 ON 1.375 BC | 5/8-11 ON 6.00 BC 4 PLCS | 1/2-13 2 PLCS | 7.31 | 7.63 | 0.500 |
| 4″ | 4.03 | 5.91 | 2.25 | 4.75 | 2.13 | 0.625 | 4.25 | 3.000 | 2.00 | 3.72 | 1/4-20 ON 1.375 BC | 5/8-11 ON 7.50 BC 8 PLCS | 1/2-13 2 PLCS | 8.38 | 9.00 | 0.500 |
| 6″ | 6.10 | 7.88 | 2.44 | 5.75 | 2.13 | 0.750 | 5.38 | 3.000 | 2.19 | 5.66 | 1/4-20 ON 1.984 BC | 3/4-10 ON 9.50 BC 8 PLCS | 1/2-13 2 PLCS | 10.56 | 11.00 | 0.625 |
| 8″ | 7.89 | 10.00 | 2.63 | 7.13 | 2.13 | 1.000 | 7.00 | 3.500 | 2.38 | 7.74 | 1/4-20 ON 2.203 BC | 3/4-10 ON 11.75 BC 8 PLCS | 1/2-13 2 PLCS | 13.63 | 13.63 | 0.875 |
| 10″ | 9.73 | 11.75 | 2.94 | 8.50 | 2.63 | 1.250 | 7.00 | 5.016 | 2.69 | 9.78 | – | 7/8-9 ON 14.25 BC 12 PLCS | 5/8-11 2 PLCS | 17.00 | 17.00 | 1.000 |
| 12″ | 12.11 | 14.00 | 3.31 | 10.00 | 2.63 | 1.500 | 8.00 | 5.016 | 3.06 | 11.69 | – | 7/8-9 ON 17.00 BC 12 PLCS | 5/8-11 2 PLCS | 20.00 | 20.00 | 1.250 |
* Contact manufacturer for mounting dimensions.